充值积分
开启左侧

[资料] 【推荐阅读】丰田汽车研发流程详解

[复制链接]
spaceman 发表于 2014-6-10 06:49:07 | 显示全部楼层 |阅读模式 打印 上一主题 下一主题
新产品开发的概要
1. 概述
汽车是成批次生产的,为了能够在世界各地各种环境下使用而和社会紧密联系的商品。因此,节省资源,降低排气公害,振动噪音的减少,安全保证等适应社会的要求是不可欠缺的。
在这基础上,运用凌驾与其他车之上的技术,符合流行趋势的样式,能让客户满足的高性能、低价位有魅力的的商品的制造以及在适当的时候把它商品化,十分重要。

2. 新商品的种类

在汽车行业里,被称为新商品的,有几个种类,一般地,按表2-2的内容进行开发。

一般的商品,都有型号寿命这一概念。型号的生命周期越长,生产等的设备折旧费就降低,成本也会下降,但同时,因为车型陈旧,消费者的购买欲也会下降。

乘用车的场合,通常每4-6年进行型号全部更新,并在这中间,进行小的改动,以防止车型陈旧化。


3,新产品开发的组织和运营

(1).CE(Chief engineer主任技师)制度
本公司的新产品开发,是以CE制度为中心进行的,从新产品的企划到销售后的市场评价,都对应着同一人格的CE,在这个基础上,进行产品的开发。把创造有魅力的商品,并适时地提供作为目标,集中有限的设计检验人员,资源,机动的运用,提高开发速度以及效率化。在1955年销售的皇冠开发时,引入了这个制度(当时叫主查,和现在的主查多少有点不同)。
这和其他公司相比,领先20年以上,是现在本公司产品开发的基石。另外,为了更有效率的做出更有竞争力的产品,以车底盘为单位,作为CE的主管,存在ECE(excecutive chief engineer).
图2-2所示,CE制度下的CE和各部门的关系。
(2).新产品开发体制
图2-3所示,在CE制度的基础上的新产品开发体制。
凌志中心,第一丰田中心,第二丰田中心所属CE,根据市场情报,技术情报等进行新产品的企划,并在全公司会议上作出开发提案。
这个提案被承认,则对关联部门作出开发指示,进行具体的开发

4.新产品开发的流程

4.1概要

    新产品开发流程,如图2-4所示。对于产品的开发,把适合市场需要的产品,适时地提供十分重要。因此,希望在离极力发销时期教近的时候着手开发,但是,技术开发,生产准备,为了品质保证的评价等,一切议案很难缩短。本公司的场合,对应开发规模,把研究开发,先行开发和车辆企划并行,另外,让产品开发中的企划,设计,试作,评价,这一循环,柔软的旋转。和其他公司相比,能够比较短的企划,开发。进一步,对应开发规模,设定开发的标准流程,进行开发的更新。

     以构造有较大改动的L型为例(图2-5)各开发中心的CE参考市场情报,企划阶段型号的构想,作为CE的车辆印象统一起来。从之一阶段开始,对新技术,新机构的技术成立性等必须确认的部分,通过先行试作,进行性能,品质的评价。在这里得到的结果,再加上关联部门的提案,作为次期型号的构想,再汇合CE的构想,相关联的部门提案。之后,在全公司会议上,提案得到承认后,作为开发指示,着手具体的开发。

世纪,试作,评价等各关联部门,基于CE的构想和开发指示(指示书),进入具体的设计,评价作业。以后,在正式试作过程中,按设计→试作→评价→设计循环进行,朝着和CE目标一致的性能向上,品质向上的方向努力。生产安排部门,作向生产转移的阶段准备。口号试作*是把用模具制成的零件,在工厂的生产线上进行车辆的组装,作业性及品质的确认等。


  *注   号口试作:新型号车,或型号改进车的设计,试作,开发及生产准备等成后,在号口生产前进行的工厂侧的批量生产的试作。简称号试。
4.2 中长期新商品战略
     这是涉及到商品(车种)系列的全般的车种的新设计,型号改进,废弃等的方针。在参考了市场动向,社会动向(法规制度等),他公司的产品计划动向等外部条件,以及公司内,关联公司的开发能力,生产准备能力,开发费用,设备投资。生产体制,贩卖体制等内部条件,并进行大范围的调查,预测的基础上,制定的方针。制定是在商品策划部,国内企划部,海外企划部,技术部中的技术统括部,车辆企划部等部门实行。得到全体承认,个别车种在产品企划会议上,审议,批准,然后反映到产品企划上。
             图2-6中长期商品战略流程

4.3个别新产品企划
个别新产品企划就是幸好改进等的具体的产品开发计划。各开发中心的车辆主管CE企划立案,在产品开发部是产品企划会议,在全公司是扩大副总经理会议等会议上审议,批准后,做成开发指示书,传达到各开发主管。
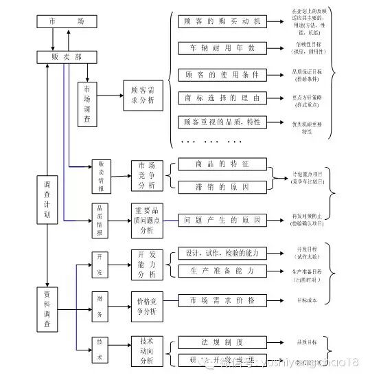
(1).公司内部各种情报报告调查分析
即使说新产品的商品价值在企划阶段决定也不过分。因此,企划的时候必须做充分的调查分析。情报调查分析流程,如图2-7所示
〈调查分析〉


精彩评论4

沉香木 发表于 2014-6-10 10:30:45 | 显示全部楼层
谢谢分享,支持一下。
fininb 发表于 2014-6-10 21:46:26 | 显示全部楼层
好资料,学习中
ANT_SPARROW 发表于 2015-1-9 13:22:16 | 显示全部楼层
有点不清楚 图片,需要加强
miffoe 发表于 2015-12-19 09:00:02 | 显示全部楼层
版主,图片怎么看不到呀
您需要登录后才可以回帖 登录 | 立即注册

本版积分规则

关注官方微信

微信号:skyspaceman

微信群:精益大本营

QQ1群:176343137

QQ2群:38787350

全国服务热线:

13928439879

(工作日:周一至周五 9:00-16:00)
深圳市宝安区前进二路
326186246@qq.com

Archiver-手机版-小黑屋- 精益大本营  

Powered by Discuz! X3.4 Licensed© 2001-2013 Discuz Team.  苏ICP备11088591号-2

安全联盟认证