点击标题下面蓝色字体“精益大本营”地方即可关注我们精益平台,订阅后,点击"查看历史消息”查看精益全章!
企业实施精益生产,就是要根据精益思维的原则,在组织、管理、供应链、产品开发和生产运作方面建立有效的生产方式,以消除所有不增加价值的浪费为目标,逐步改善进而最大限度地谋求经济效益和提高竞争力。
企业在产品开发、生产制造、管理及服务顾客整个流程中实施精益生产所产生的巨大优势,已通过八十年代的丰田汽车公司、九十年代的戴尔公司以及其他一些企业的巨大成功,为世界企业界所公认。
但令人遗憾的是,许多企业在导入精益生产理念和方法后,很少认真地对整个产品的价值流进行分析,就很快进入了大规模的消除浪费活动,这些改进活动虽然可能改善了产品价值流的一小部分,使之流动得更加顺畅,但是其它部分的问题仍会导致大量库存,最终的结果是没有降低成本,甚至有所增加。如果仅仅局部实现了精益,那么改进效果的持续性就会受到限制,不能实现如大野耐一所说的“在全过程中减少浪费”,这将会导致精益生产的实施无法进行下去。
不同行业、不同企业的情况是千差万别的,我们在实施精益的过程中,经常会被企业杂乱无章的背景所迷惑,不知道从哪里、如何实施改善活动,会觉得改善活动无从下手。在这种情况下,就需要有一个有效的工具或方法,能够让我们找出浪费及其原因之所在,然后将其消除,这个工具就是价值流图析技术。
价值流图析技术作为一个有效的工具,可以通过做图的方法,帮助企业考虑整个产品价值流的流动,而不是只考虑孤立的过程,从而使企业能够对其整个价值流进行持续的、系统化的改进,提高企业的效益和在市场中的竞争能力。
利用价值流图析技术,不仅能够消除浪费,还可以消除产生浪费之根源,使之不至于卷土重来。价值流图析技术已为全球很多企业所接受和采用,而且对实施精益生产起到了良好的效果。
一、价值流图析技术与方法
在论述价值流图析技术之前,首先介绍什么是价值流。
1.1价值流
所谓价值流,是当前产品通过其基本生产过程所要求的全部活动。这些活动包括给产品增加价值和不增加价值两部分,包括了从产品最基本的原材料阶段一直到产品交付顾客的全部过程,如一辆汽车的制造,包括了从顾客要求到概念设计、产品设计、样车制造、试验、定型、投产到交付后的使用、信息反馈和回收过程,会经历很多车间、工厂、公司,甚至可能经历过多个国家和地区。
1.2价值流图析技术
价值流图析技术是帮助你分析整个价值流的一个强有力的工具,它可以使整个价值流——通常是纷乱复杂的,变为可视的一张价值流现状图(如本文图1所市),使得价值流中的问题显现出来,这样就可以应用各种精益技术将不增值的活动--即浪费消除。这种改进不仅能够消除浪费,而且能够消除浪费之源,使之不至于卷土重来,从而提高企业的竞争力。
从价值流的定义可以看出,价值流包括整个产品生命周期,地域范围可能包含若干个企业甚至国家和地区,所以做出产品的整个价值流的图析是极为复杂的工作,但分析价值流的基本方法是相同的。为了方便起见,这里我们主要讨论工厂内的价值流。
1.3价值流图析技术
在进行价值流图析之前,需要先来明确实施图析的主要步骤,如很多技术的实施一样,价值流图析也是一个过程,采用5W1H方法,即确定Why(为什么),Who(谁做),What(做什么),When(何时做),Where(在哪做),和How(如何做),前面我们已经说明了为什么做图析,其它步骤具体为以下六方面的事宜:
1) Who——确定谁来做
需要一位了解产品价值流而且能推进其改进的人,这个人具有领导职责(价值流经理),由他来领导一个小组进行价值流图析工作。
2) What——确定做哪些产品的价值流图析
通常我们首先按照80—20原则,对影响企业最大的产品进行图析。
3) When——确定何时做
应在实施改进之前对价值流进行分析,以确定应首先改进哪些过程。
4) Where——确定在哪里做
毫无意义,在现场!只有在现场收集的数据才能真正反映价值流的状况。
5) How——进行图析
下面将以CAHC公司价值流图析为例,简单说明价值流图析的应用方法。
二、价值流图析实际应用
2.1选定产品系列
表中所示为CAHC公司2003年供货计划,根据80—20原则—影响大的产品或因素只占全部的20%,可以确定对公司影响较大的产品有8A和8B两种,他们均属于8系列产品,生产过程基本相同,所以确定图析该系列产品。
2.2绘制价值流现状图
价值流现状图的绘制应依据以下几个步骤进行:
·了解并记录顾客的要求
如图1中右上角顾客要求框所示,我们主要应了解顾客的需求量、种类、交付频次和要求等。
·了解并画出工厂内材料流图
如图1中下部的线框所示,也是工厂内的基本生产过程,我们将能够连续进行的过程列入一个框内,无法连续的,在两框之间用库存三角分开。
·收集并记录每个生产过程的数据(数据框)
在每个过程线框下记录主要数据包括生产节拍、换型时间、操作人数、有效工作时间、设备使用率、废品率等与过程改进有关的数据。注意,这些数据应是现场收集的,而不是某些资料记载的。
·了解库存情况
小组应对所有库存(包括线上在制品库存)进行盘点,然后记载库存三角下面。注意,是点数而非查帐!
·原材料采购和交付的情况
如图1种左上角所示,了解主要供应商的供货情况。
·了解、记录顾客订货、生产计划、原材料订货过程的信息传递途经及信息,画出信息流
如图1上部所示,表示出顾客订单、材料订单和生产信息传递途径和方法
·画出生产时间线和计算相关数据
将库存数量按照顾客需求节拍转化为时间,与生产过程时间数据一同画在时间线上,求出生产过程时间占整个时间的百分比。
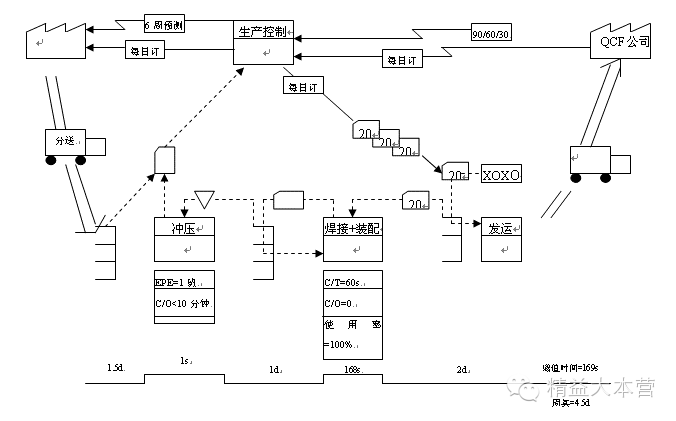
画出的CAHC公司完整价值流现状图如图1所示。
2.3绘制未来价值流图
绘制价值流图析现状图的意义就在于通过图析发现工厂生产过程中存在的浪费,从图1我们可以看出,188秒的生产时间只占然整个周期时间23.6天的不到1%,大量的时间浪费在库存和等待上了。通过分析原因,找出关键的浪费及其改进的方案并予以实施——即通过实施精益生产来消除产品价值流中的浪费。分析现状的目的在于解决价值流中的问题,而这些问题要在未来状态图的制定中通过实施精益价值流来予以解决。
2.3.1发现浪费
确定什么是浪费,要根据精益思维的第一个基本原则——“从顾客的角度而不是从某个公司、部门或机构的角度确定价值”来确定的。精益生产中把浪费分为两种:即—不增加价值但目前生产、开发等系统要求存在和不增加价值且可以立即消除。
2.3.2设计并实施精益的未来价值流的准则
我们画出价值流现状图的目的就是要使当前生产状况所存在的浪费用画图和计算的方式充分显现出来,找出原因,采取措施逐步完善。价值流图析未来状态图就是使得当前价值流变成精益的价值流。
那么,如何设计并实施精益的未来价值流呢?这里提供7个准则并作简单解释。
准则1:按顾客节拍生产
使得生产过程的节拍与交付顾客节拍保持一致,实现准时化生产。
准则2:尽可能地实现连续流动
尽量消除和减少库存和等待,这样生产过程就可以连续进行。
准则3:在无法实现连续流动的地方采用看板拉动管理
对与节拍相差悬殊,种类繁多的过程,如冲压和焊接这样的无法流动过程,采用看板管理。
准则4:努力使得顾客的订单只发到一个过程
保证信息的一致性。
准则5:在价值流启动过程按时间均匀分配多品种产品的生产
实现均衡生产。
准则6:在价值流启动过程通过启动一个单位的工作来实现初始拉动
这个拉动的“动力源”一定要来自顾客。
准则7:在价值流启动过程上游工序形成每天能够制造各种零件的能力
多品种、小批量的混流均衡生产,要求上游过程通过减少换型时间和生产批量来提高对下游过程变化的反应速度,这样可以尽可能地减小库存的在制品。
图1 CAHC公司的现状图
2.3.3研究现状,找出差异并绘制未来价值流图
未来状态图是我们进行精益转化的目标蓝图。依照精益思维和精益价值流的准则来分析前面做出的现状图,使我们可以发现存在很多方面的浪费,以便我们去消除。分析研究现状图的关键步骤具体来讲分为8步(以CAHC公司为例);
·确定有效工作时间和顾客需求节拍
根据顾客需求量18400/月和有效工作时间27600秒/天,可出节拍应为60秒。
·确定发运过程是采用顾客拉动还是建立一个成品发运仓库
根据公司实际情况,小组确定采用成品发运仓库
·确定使用连续流动的过程
将焊接、装配这些节拍相近的过程和为一个连续的过程(中间无库存)。
·确定采用拉动系统的过程
将冲压和后续过程设计成为一个拉动系统,引入看板管理。
·确定生产需求传送到价值流的哪一个过程,即价值流启动过程
确定发运过程为价值流启动过程。
·确定如何在启动过程均衡生产
通过需求变化传递到整个过程来实现均衡生产。
·确定价值流启动量
根据顾客发运的频次和发运方式,确定其动量为20件。
·确定设计未来状态图时,为了实现精益价值流,必须改进的哪些过程
要实现上述方式,应改进的过程有焊接和装配的整合、冲压与焊接过程的拉动系统、发运过程的拉动系统、信息传递过程的改进等……
完成以上分析工作后,也就可以画出价值流未来状态图。CAHC小组所绘未来状态图如下文图2所示。
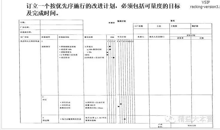
2.4计划的制定、实施与效果评估
要改进的过程已基本确定,实现过程改进可分为三步:
·将未来价值流划分成几个分价值流循环再考虑要实施哪些改进
·制定实施计划
· 评估计划实施的效果
改进过程的实施采用PDCA的进程进行,该方法很多文献均有详细介绍,这里就不细说了。
2.5CAHC价值流图析实施中的问题和需注意的事项
·首先图析技术是发现价值流过程关键浪费及其根源的方法,以避免不必要的改进活动(这也是一种浪费),必须通过精益技术消除浪费,才能受到效果。
·图析准备:培训十分必要,可以避免方向性的错误。
· 产品选择:在考虑产量同时还应顾及产品产值、利润及其对公司生存与发展等方面的影响。
· 价值流现状图的绘制:一定要尽可能在较短的时间完成现状图数据的收集。
·不仅在确定产品适应找出主要因素,在确定顾客要求、过程及其参数、供应商情况时同样要找出影响本公司的主要因素,避免影响图析的效果和后续改善的方向和目标。
· 顾客需求节拍应根据实际供货的历史加以修正。
· 顾客拉动和成品仓库发货拉动两种方式实际上都是由顾客需求拉动的,关键区别在于是否建立成品库存。在实施精益生产初期,建议采用成品发运仓库的方式,这样能够保证准时交付顾客。随着精益生产实施的深入,可以逐步减少成品库存,最终转变成顾客拉动。
2.6价值流图析技术实施效果
很多企业实施精益生产都遇到过这样的问题,从那里开始做,对全部产品还是某一个?生产过程还是仓库?是单元生产还是一个流?在改进过程中也不可避免的会遇到但某个过程改进了之后,与整条线配合不起来了,导致“还不如不改”的想法。这些问题都是企业在实际生产过程中肯定会遇到的问题。
而价值流图析技术是避免这类问题的有效工具,他从企业整个价值流出发来分析哪些过程需要改进、如何改进和改进到何种状态,这也是本文介绍该技术的根本出发点。
从CAHC公司价值流现状图和未来状态图的比较我们可以看出,通过描绘、分析现状所存在的问题,我们找到了改进点;通过未来状态图的绘制,我们确定了改进的目标,然后通过PDCA方法进行有效实施,达到改进的目的,提高企业的效率和竞争能力。
就效果而言,比较现状和未来状态,明显提高了生产的效率和灵活性,更大程度的满足了顾客的要求:
·加工时间与生产周期的比例由188秒/23.6天变为169秒/4.5天,降低了生产时间和生产周期,通过生产周期的降低使得对顾客订单反应时间提高了5倍以上,这样可以大量减少库存,而库存量的减少则意味着流动资金、财务成本、产品损耗、仓库管理成本……的降低,也就意味着利润的提高,试想销售额提高5倍谈何容易,而通过改进就可以实现。
·人员的减少。焊接装配过程原需要4个作业人员,现在3个足矣。
· 避免盲目生产。生产信息由原来的多头信息改为由发运过程向前传递,避免由于不了解后道过程需求盲目生产带来的“过量生产”浪费,同时有效的满足顾客不断变化的要求。
·由这些变化带来的研发、试验、生产、服务等方面的改进需求,使得所有改进都能够为提高企业竞争力起到作用,而不是表面文章,还有人的思维变化、顾客满意度的提高……
图2 价值流未来状态图
三、价值流图析技术的现状和未来
价值流图析法一经推出,就得到了汽车行业的一致认同,当年在德国举办的精益生产研讨会上受到了与会专家、学者和企业界人士的一致好评,目前美国、德国、英国等欧美很多企业都把这种方法作为企业价值链分析和改进的有效工具。
成功实施价值流图析的企业业绩证明,有效实施价值流图析技术,可以:
·消除50%以上的浪费过程/步骤
· 产品形成周期较当前价值流状况减少1/3以上
·需求变化的幅度从30%左右降至5%左右
· 质量水平得以提高,因为质量问题可以得到及时发现并予以解决
·由于实施小批量多品种,增加了运送的次数,这样物流成本会有所提高,但整个价值流的成本得到了大幅度的降低
以上我们所介绍的价值流图析,是在工厂内的使用的技术。我们知道,几乎所有产品都不能在一个工厂内完成,其价值流一般都要经过若干个工厂、供应商,甚至这些工厂在不同的国家,遍布世界五大洲。那么要使产品价值流真正实现精益,仅对一个工厂进行价值流图析虽然可以消除这个过程中的浪费,但要完全消除浪费,就要对整个价值流进行分析。
为此丹尼尔?琼斯和詹姆斯?沃麦克教授(?改变世界的机器?和?精益思维?的作者)编著了一本适用于整个价值流图析的书“Seeing the Whole”。这本书在?价值流图析?(Learningto See)的基础上,将价值流从工厂扩展到整个产品实现的价值流。
扩展的价值流图析原理上与工厂内价值流图析是一致的,区别在于:
·每个工厂作为一个过程来看待
·较工厂内价值流图析更为复杂
·物流更为复杂
·信息流也较工厂内价值流更为复杂
·考虑的方面更为全面
·可以消除更大的浪费
但是从扩展的价值流图析我们也可以看出,它是建立在工厂内价值流图析的基础上的,因为:
·每个工厂的过程直接影响到全价值流
·扩展价值流图析中实现连续流动、拉动以及均衡生产建立在每个工厂的实施基础之上
·图析的原理、方法、步骤基本相同
与所有技术一样,价值流图析技术也是在不断发展过程中,不仅在图析范围方面有所发展,而且在图析内容上也有发展,这里通过图析分析了物流和信息流,有关专家目前正在考虑资金流动的问题,相信不久会有新的方法出现;此外由于价值流图析是实施精益生产的一种有效工具,那么随着精益技术的发展,在价值流图析过程中也会有新的东西不断补充进来,使得价值流图析技术能够更加有效地反映实际存在的问题,并采取有力的措施不断消除浪费,实现全过程精益化。当前精益生产已为企业所广泛接受,从最高管理者到每一位员工都愿努力消除各种浪费,提高企业的竞争力,但苦于无从下手,或实施以后并未达到预期的效果,而价值流图析技术正是帮助人们有效实施精益生产的一个强有力的工具,它可以把精益思维的基本原则融于改进实施过程之中,帮助企业进行系统化、持续化的改进,而这种改进不仅能够消除浪费,而且能够消除产生浪费的根源,使其不至于卷土重来。
实施价值流图析技术过程必须充分尊重人的因素,应相信员工能够充分地理解精益思维的理念,在形成精益价值流的过程中充分合作,改变原有的习惯,不断发现浪费、消除浪费并从中获益。公司是最大的受益者,来自多个方面——竞争力的增加,利润的增加,信誉的提高以及内部员工之间的信任和团结……
如精益思维第5项基本原则所言,精益生产要不断追求完美,价值流图析过程中未来状态实现之日,也就是成为此时现状图之时,未来状态转变为现状的循环是没有尽头的,价值流的改善应成为任何企业日常管理活动之一,无论其产品是硬件、软件还是服务,也无论该企业的规模、水平如何……正如我们反复发现的那样,当你在一个循环中消除了一些浪费,在下一个循环还会发现更多的浪费等着你去消除,精益生产的实施就是这些活动的不断循环。
前面曾提到过,精益生产不仅仅是汽车行业的生产方式,而是适用于所有的企业。对于任何企业,获得其价值流的方式都是相同的,即从你的公司上游向下游扩展,直到从“原材料的分子到交付用户的成品”的整个过程。那么价值流图析技术作为精益价值流实施的有效工具,将为每个企业提供强有力的支持和服务。
哪里有顾客需要的产品,哪里就有价值流,关键是你如何发现它!纵观CAHC公司对8系列产品实施价值流图析的全过程,显示了值流图析技术在实施精益生产过程中所起到的巨大威力,同时也证明了价值流图析技术是一种科学有效的工具,它可以帮助企业不断发现在价值流中存在的浪费及其产生根源,进而运用精益工具彻底消除这些浪费,最终实现企业效益和竞争能力的提高。
本文针对CAHC公司价值流图析的研究的另一个目的,希望以此激发我国企业运用科学的方法,认真分析自己的价值流,并致力于如何实现适合于你自己企业的精益价值流的精益实践之中。
------------------------------------------------------------------------------------------------------------------
温馨提示:获得更多分享方法:
1、 打开微信-朋友-添加朋友-查找众账号-精益大本营
2、 点击标题下的"精益大本营"可直接添加关注!如果您觉得"它"还可以,请推荐给同事吧!人人参与才是精益的终极追求。
3、点击右上角-分享到朋友圈,让更多朋友关注精益、关注精益大本营!再次感谢您的关注!谢谢!!
4、点击精益大本营微信平台内右上角小人,可以查看历史所有全部文章
精益大本营是由一群从事精益生产、ie和企业管理的热心朋友所组织,致力于中国工业发展而相互学习帮助和问题讨论,希望我们的精益推送文章能够新老朋友一些帮助。
我们的qq群号是:176343137
回复1查看历史丰田物流文章
回复2查看历史看板文章
回复3查看历史活动组织
回复4查看tpm相关文章
回复5查看最新活动内容
回复6查看TQM文章
回复7查看5S文章
更多内容请点击原文阅读。